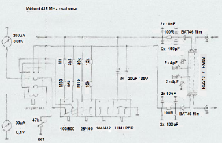
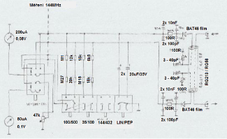
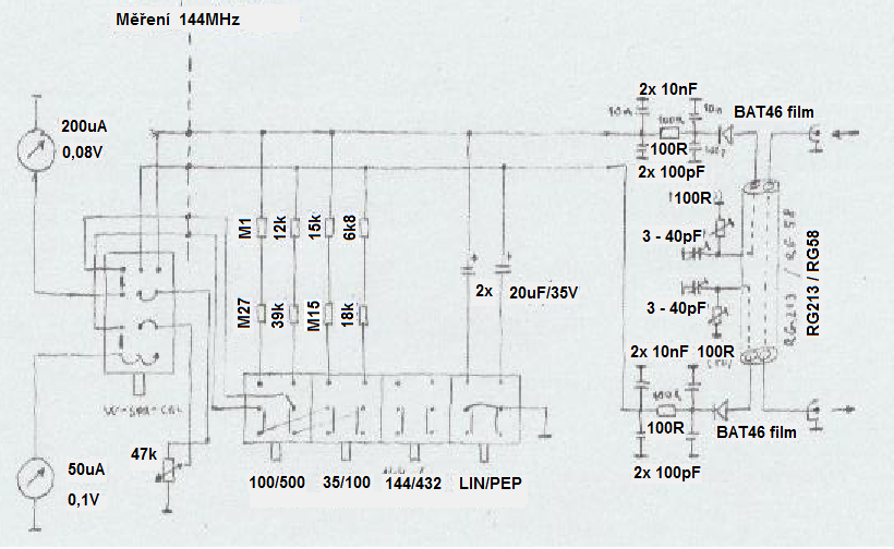
obrázky FOX_dokument2 - směrová odbočnice - jednoduchý reflektometr